
Недавняя работа немецкой исследовательницы Нины Хафер-Хахманн, в которой подытожены имеющиеся свидетельства паразитических манипуляций, дает повод поговорить о современном состоянии концепции: какие ее части хорошо соответствуют эмпирическим данным, какие поставлены под сомнение, а какие требуют дополнительных исследований.

Раскрыт молекулярный механизм, с помощью которого гриб Cordyceps militaris стимулирует переедание у зараженных гусениц. Гриб снижает уровень сахаров в гемолимфе насекомого, имитируя голод и активируя экспрессию пептида HemaP, регулирующего пищевое поведение. Ключевым звеном в этом каскаде оказывается грибковая трегалаза, по всей видимости заимствованная у насекомых.

Иногда совместное заражение двумя видами паразитоидов может позволить осе успешно развиться даже в неподходящем хозяине. Такие случаи фиксировались только для видов, не разделяющих общий ареал. Японские исследователи сумели доказать, что теоретически успешный мультипаразитизм возможен даже в природных условиях. Они назвали эту стратегию «пиратским паразитизмом».

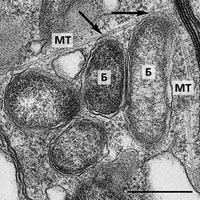
Ряд бактерий приспособлен к внутриклеточному паразитизму, но такой «высший пилотаж» как жизнь внутри ядра клетки, — большая редкость. В новой статье описан такой случай у глубоководных морских моллюсков. Бактерии ‘Ca. Endonucleobacter’ живут в жабрах двустворок Bathymodiolus puteoserpentis и Gigantidas childressi, делятся в клеточном ядре, где достигают численности до 80 тысяч.

Американские ученые обнаружили, пожалуй, наиболее экстремальный пример эусоциальности у пресноводной трематоды Haplorchis pumilio. Впервые доказано, что солдаты — «профессиональные» защитники колонии, жертвующие собой ради успешного размножения сородичей, — у H. pumilio полностью стерильны и являются результатом особой линии развития, отличной от развития «нормальных» особей.



Трематода D. pseudospathaceum обитает в хрусталиках глаз рыб и подавляет их защитное поведение, делая их более доступной добычей для рыбоядных птиц — окончательных хозяев паразита. Считается, что поведение рыбы меняется из-за ухудшения зрения. Недавнее исследование подтвердило способность трематоды манипулировать поведением рыб, но ставит под сомнение предположение об ухудшении зрения хозяина как об основном механизме манипуляций.

Энтомопатогенный гриб Entomophthora muscae управляет не только зараженной комнатной мухой (Musca domestica), но и поведением ее здоровых конспецификов. Трупы самок мух привлекают здоровых самцов, которые заражаются патогенным грибом в результате попыток спариться с мертвыми самками. Для этого энтомофтора синтезирует смесь летучих сесквитерпенов, действующих на самцов как афродизиаки.

Автор знакомит читателя с огромным разнообразием паразитических видов, рассказывает, на каких принципах строится их стратегия выживания, какими последствиями для организма хозяина оборачивается «сожительство» с ними, как происходит их размножение.



Растения рода Ficus и перепончатокрылые из семейства Agaonidae — облигатные мутуалисты: личинки агаонид развиваются только внутри соцветий фикусов, а взрослые особи опыляют растения. В одной из популяций фикуса F. microcarpa «отлынивающие» от опыления агаониды не подвергаются санкциям со стороны растений. Из-за этого, похоже, там появился новый вид агаонид, перешедший от мутуализма к паразитизму.


Наездники Melittobia australica долго озадачивали ученых тем, что в экспериментах не удавалось заставить их менять соотношение полов в потомстве при изменении числа делающих совместную кладку самок. Изучение природной популяции этих наездников показало, что самки учитывают степень родства с соседками по кладке: самцов в потомстве больше, если общую кладку делают неродственные самки.



Ученые показали, что паразиты желудочно-кишечного тракта баранов Далла влияют на размер потомства: чем больше гельминтов в организме самки, тем более мелкие у нее рождаются ягнята. Выделяемые гельминтами вещества вызывают задержку овуляции, из-за чего ягнята развиваются, когда еды заметно меньше. Также оказалось, что гельминты влияют и на пол ягнят: сильно зараженные овцы чаще вынашивают самцов, чем самок. Физиологический механизм этого сдвига пока не выяснен.

Математические модели предсказывают, что в популяциях подверженных заражению паразитами организмов преимущество должны получить более редкие генотипы. А теперь и в эксперименте на нематодах и бактериях удалось продемонстрировать, что отбор на повышение вирулентности приводит к тому, что паразиты становятся менее опасными для более редкого генотипа хозяина, давая ему селективное преимущество.

Древнейших на сегодня паразитов вместе с их хозяевами брахиоподами удалось обнаружить в кембрийских морских отложениях местонахождения Гуаньшань на юге Китая. Эти небольшие трубчатые существа облепляли раковины брахиопод так, чтобы поток пищевых частиц, создаваемый хозяином, сам шел им в рот, — такой образ жизни выдал в них клептопаразитов. А носившие их на себе брахиоподы лишались части своей пищи и из-за этого росли плохо и оставались мелкими.

Финские ученые 15 лет исследовали несколько тысяч популяций подорожника ланцетолистного на Аландских островах. Это растение страдает от паразитического гриба Podosphaera plantaginis. Оказалось, что в изученной системе «паразит — хозяин» изолированное положение не является залогом успешного избегания инфекции на уровне популяции, а генетическое разнообразие важно как для процветания хозяина, так и для выживания паразита.

Распространение патогенного грибка Batrachochytrium dendrobatidis стало причиной резкого сокращения численности и разнообразия амфибий во многих регионах мира. Герпетологи из США и Панамы оценили, как этот «лягушачий апокалипсис» повлиял на змей в панамском национальном парке «Омар Торрихос». Результаты оказались неутешительными, хотя и ожидаемыми: сообщество змей стало менее разнообразным, часть видов стала встречаться намного реже, а некоторые исчезли совсем.

Российские биологи прочитали митохондриальные геномы четырех видов волосатиков и обнаружили в них необычайно длинные и при этом точные инвертированные повторы в белок-кодирующих генах. Это удивительно, так как наличие таких повторов сильно ограничивает возможности оптимизации закодированной ими аминокислотной последовательности в процессе эволюции. Тем не менее, у волосатиков гены, содержащие шпильки, транскрибируются и транслируются в функциональные белки.

Перьевые клещи — разнообразная и многочисленная группа симбионтов птиц. Часть из них — ярко выраженные паразиты, но для большинства характер взаимоотношений с хозяевами не установлен. Исследование содержимого кишечников перьевых клещей, собранных с 18 видов воробьиных птиц, показал, что эти клещи питаются грибами и бактериями, в том числе и потенциально вредными для птиц, собирая их с перьев. То есть эти клещи не паразиты, а комменсалы.



Ортонектиды — крайне упрощенные потомки каких-то первичноротых, вероятнее всего — кольчатых червей. Они паразитируют в разных беспозвоночных, в том числе, как выяснилось, в ксенотурбеллах — очень просто устроенных морских червях, до сих пор задающих зоологам много загадок.





Немецкие палеонтологи обнаружили первое прямое свидетельство эндопаразитизма у древних насекомых. С помощью томографа они просветили окаменевшие куколки мух, извлеченные из отложений позднего эоцена во Франции, и разглядели в некоторых из них паразитоидных ос Diapriidae, готовых к выходу. Всего ученым удалось идентифицировать четыре новых вида эоценовых паразитоидов, причем один из них относится к современному роду.




Симбиоз паразитоидной осы с вирусом позволяет подавлять иммунитет гусениц, в которых осы откладывают яйца. Вирус также способен регулировать активность генов гусеницы, что влияет еще и на защитную реакцию растения на гусеницу. Всё это обеспечивает повышенное выживание личинок осы и, как следствие, помогает вирусу. Однако у этого сотрудничества есть и оборотная сторона.







Как узнать видовой состав животных тропического леса? В этом может помочь анализ содержимого желудков кровососущих насекомых. Но еще перспективнее — распространенные в тропиках сухопутные пиявки, поскольку кровь они могут сохранять дольше, а мобильность у них ниже. При помощи крови из пиявок можно даже устанавливать, от каких вирусов страдают животные.



Американские биологи выяснили, что паразитический гриб кордицепс однобокий, превращающий муравьев-древоточцев в послушных зомби, образует внутри их тела трехмерную сеть, которая оплетает все внутренние органы муравья, включая отдельные мышечные волокна, но не заходит в мозг. Получается, для сложного манипулирования поведением хозяина паразиту совершенно не обязательно проникать в его центральную нервную систему.






Паразитический гриб Pyricularia oryzae вызывает опасное заболевание у риса и многих других злаков, однако для пшеницы он был не опасен вплоть до 1985 года. В дальнейшем болезнь широко распространилась по Южной Америке, а в 2016 году проникла в Азию. Японские и американские генетики выявили ключевое генетическое изменение, позволившее паразиту перейти на нового хозяина.





Российские палеонтологи обнаружили у раннемеловой протоблохи Saurophthirus дыхательную систему, адаптированную к водному образу жизни. Открытие заставляет пересмотреть представления о жизненном цикле этих паразитов. Возможно, напившись крови, они ныряли для откладки яиц в водоем. По другой версии, эти насекомые кормились на плавающих птерозаврах и были ныряльщиками поневоле.


По определению, паразит приносит вред хозяину. Но иногда они приносят не только вред. В чем может состоять польза от паразитов для хозяев?


Патогенная бактерия Salmonella enterica serovar Typhimurium блокирует снижение аппетита при кишечных инфекциях у мышей. В результате зараженные мыши продолжают активно питаться, что облегчает течение болезни и снижает смертность, а также помогает бактерии заражать новых жертв.

Наземные ракообразные мокрицы-броненосцы Armadillidium vulgare, зараженные бактерией вольбахией, утратили женскую W-хромосому. Однако впоследствии в результате крупной вставки из генома вольбахий в одну из хромосом мокриц возник f-элемент, отвечающий за развитие в самок даже в отсутствие бактерий, и у этих ракообразных сформировалась новая пара половых хромосом.

Ключевым этапом зарождения жизни было появление химических репликаторов — комплексов молекул, способных к самокопированию и дарвиновской эволюции. Но сразу же должны были появиться и репликационные паразиты, использующие ресурсы сообщества для собственного размножения и ничего не дающиевзамен. Эксперименты на искусственных репликаторах показали, что для защиты от паразитов достаточно периодического разделения раствора, в котором они существуют, на мелкие капельки, которые потом могут снова сливаться.

Многие опасные для человека болезни передаются грызунами, причем обычно возбудители переносятся сразу несколькими видами грызунов, обитающими на одной территории. В недавней статье показано, что в крови европейской лесной мыши и рыжей полевки встречаются разные наборы генетических линий одних и тех же видов бактерий из рода Bartonella, то есть смешивание при передаче от мыши к полевке и наоборот происходит редко, хотя те и другие обитают бок о бок в одном лесу.


Эффективность системы наследуемого приобретенного иммунитета CRISPR-Cas, широко распространенная у прокариот, обеспечивается тем, что благодаря ее работе разные бактерии учатся распознавать вирус по разным участкам его генома. В результате способы защиты бактерий от данного вируса становятся настолько разнообразными, что никакие точечные мутации уже не помогают вирусам эффективно приспособиться к коллективной обороне жертв. Это способствует эволюции специальных вирусных генов, подавляющих работу системы CRISPR в целом, а бактерии отвечают на это эволюцией новых вариантов системы CRISPR.


5 октября были объявлены лауреаты Нобелевской премии в области физиологии и медицины за 2015 год. Половина премии присуждена американцу ирландского происхождения Уильяму Кэмпбеллу и японцу Сатоси Омуре за их исследования в области лечения заболеваний, вызванных паразитическими червями. Вторая половина премии досталась китаянке Ту Юю за открытие новых методов лечения малярии.

Ученые с факультета интегративной биологии Южно-Флоридского университета в Тампе (США) обобщили все научные работы, в которых исследовалась зависимость заражения паразитами от факторов среды. Анализ этих работ показал, что чем выше разнообразие видов в сообществе, тем меньше страдают от инфекционных болезней его участники.

Гусеницы бабочки голубянки арион на ранних стадиях своего развития питаются цветами тимьяна или душицы, а на поздних паразитируют в гнездах муравьев рода Myrmica, питаясь муравьиными личинками. Как выяснилось, бабочки находят растение, в корнях которого поселились муравьи, по запаху карвакрола — репеллента, которым дущица и тимьян отпугивают муравьев. Из всех муравьев именно Myrmica наиболее устойчивы к карвакролу, что позволяет им избегать конкуренции с другими муравьями, хотя и повышает шанс стать жертвами бабочки-паразита.

Немецкие ученые поставили эволюционный эксперимент, имитирующий гонку вооружений между хозяином и паразитом. Роль хозяина досталась нематоде Caenorhabditis elegans, а паразита — бактерии Bacillus thuringiensis. Эксперимент показал, что в условиях приспособления нематод к инсектицидам важно, чтобы гонка вооружений не останавливалась. Тогда бактерии будут избавляться от неэффективных линий, оставляя на передовой лишь наиболее инфекционные, несущие наибольшее число копий генов токсинов.


Микробиологам удалось подобрать условия для лабораторного выращивания одной из некультивируемых форм бактерий, ТМ7 — непременного компонента болезнетворной микрофлоры ротовой полости человека. Эти условия подразумевают не только особый состав среды, но и присутствие второй бактериальной формы — актиномицета. Изучение биохимических отношений ТМ7, актиномицета и человека имеет множество интересных и важных аспектов.

Ученые исследовали поведение и генетические различия двух форм комаров Aedes aegypti, одна из которых селится в лесу, а другая — ближе к человеку. Этот вид, и в особенности его «домашняя» форма, является переносчиком многих опасных заболеваний. Как выяснилось, адаптация комаров к новым антропогенным условиям произошла быстро и потребовала совсем небольших изменений, а их пищевые предпочтения изменились и вовсе из-за единичных генов. Информация о генах, которые контролируют привлекательность того или иного хозяина, поможет изготовить наилучшие репелленты.

С разницей в два дня в журналах Science и PLOS ONE вышли статьи, связанные с проблемами видового разнообразия амфибий. Первая посвящена исследованию гриба Batrachochytrium, который паразитирует на европейских саламандрах и представляет серьезную угрозу их популяции. Вторая описывает открытие нового вида леопардовых лягушек на восточном побережье Северной Америки — в Нью-Йорке, всего в 15 км от статуи Свободы.


Растения рода Aspidistra из семейства спаржевых интересны большим разнообразием формы и строения цветка. Однако наши знания об их опылении исчерпываются всего несколькими видами. Растения недавно открытого вида Aspidistra xuansonensis из Северного Вьетнама опыляются самками мух-галлиц, которые откладывают яйца внутрь обоеполого цветка. Развивающиеся личинки питаются пыльцой, после чего выползают из цветка, чтобы окуклиться. Такое сочетание черт уникально для опыления не только аспидистр, но и вообще цветковых растений.

Паразитический гриб Ophiocordyceps unilateralis развивается в муравьях-древоточцах Camponotus castaneus и C. americanus, обитающих в Южной Каролине (США). У зараженных муравьев меняется поведение, и в итоге они умирают, накрепко вцепившись челюстями в ветки, что способствует распространению спор паразита. Исследование трех видов зараженных муравьев показало, что воздействие паразита на нервную систему хозяина является видоспецифичным: по-видимому, оно подлаживается под биохимические особенности мозга жертвы.

Международный исследовательский коллектив завершил работу по секвенированию генома мухи цеце Glossina morsitans, переносчика трипаносомозов — опасных заболеваний человека и домашних животных. Геномные данные прояснили молекулярно-генетические основы многих уникальных особенностей мухи цеце, таких как строгая кровяная диета, живорождение, млекопитание и симбиоз с тремя видами бактерий. Эти сведения помогут в поиске «уязвимых мест» мухи цеце, что необходимо для разработки эффективных средств борьбы с ней.


Фитоплазма — внутриклеточный паразит растений, который меняет облик и специфические черты своих хозяев в свою пользу. Она преображает цветки в листья, вызывает болезненное разрастание побегов, увеличивая привлекательность растения для насекомых — переносчиков фитоплазм. При этом заболевшее растение теряет способность к размножению и погибает. В ходе экспериментов с разными линиями арабидопсиса удалось расшифровать молекулярный механизм, с помощью которого фитоплазма перепрограммирует растения для своих нужд.

Со времен Дарвина галапагосские вьюрки считаются классическим примером быстрого видообразования в условиях островной изоляции. В начале XX века на острове Флореана обитало три вида древесных вьюрков: малый, средний и большой. Сейчас большой древесный вьюрок полностью вымер, а средний интенсивно гибридизуется с малым, что может привести к полному слиянию двух видов. Причина вымирания и межвидовой гибридизации — паразитическая муха Philornis downsi, личинки которой поселяются в гнездах вьюрков и убивают птенцов.

В цветах двух видов растений рода Gurania, собранных на одном небольшом участке в Перу, американские биологи обнаружили сверхразнообразное сообщество насекомых. Оно включает 14 видов мух рода Blepharoneura, личинки которых развиваются в чашелистиках гураний, и 18 видов паразитических наездников, чьи личинки развиваются в личинках мух. По-видимому, постоянные попытки спастись от паразитов стимулируют видообразование у мух, что, в свою очередь, подстегивает видообразование наездников.

На тропической станции в Центральной Америке продолжаются натурные экологические эксперименты по изучению феномена биоразнообразия в условиях естественного комплекса факторов. Результаты нового эксперимента позволяют оценить влияние фитопаразитов на разнообразие тропической флоры. Как выяснилось, они повышают растительное разнообразие, уничтожая в основном массовые виды и давая возможность вырасти редким видам. Таким образом осуществляется плотностная регуляция численности массовых видов.

Продолжается исследование трансмиссивной саркомы собак (ТВС) — интереснейшего случая превращения многоклеточной ткани в одноклеточных паразитов. Клетки ТВС размножаются делением и переносятся от одной собаки к другой при половых контактах. Эта паразитическая клеточная линия образовалась 11 тысяч лет назад, на заре одомашнивания собак, и является самой древней клеточной культурой; она несет геном первой заболевшей собаки, правда за прошедшее время ее гены претерпели сильные мутационные изменения.


Паразитические организмы поражают любые ткани и способны вызывать самые страшные заболевания, нередко со смертельным исходом. Однако некоторые паразиты сумели добиться большего: они превращают пораженных ими индивидов в зомби. Например, сумчатый гриб Ophiocordyceps, споры которого поселяются в голове муравья-древоточца, вынуждает хозяина влезать на невысокую травинку и челюстями вцепляться на теневой стороне листа в его центральную жилку; затем муравей умирает, а гриб прорастает и дает споры.

Группа американских и английских ученых провела сравнительный анализ числа вирусов — возбудителей зоонозных инфекций — у грызунов и летучих мышей. Оказалось, что летучие мыши обгоняют грызунов по числу разных вирусов, приходящихся в среднем на один вид хозяина, а потому, возможно, являются более опасным источником инфекций. Авторы исследования пытаются объяснить этот феномен особенностями биологии и экологии летучих мышей.



Тростниковые камышовки, в гнёзда которых кукушка откладывает яйца, могут обмениваться информацией о приближающемся враге. Они способны распознавать две формы кукушек — серую и рыжую. Если камышовки преследуют серых кукушек, то рыжие получают преимущество и их доля в популяции возрастает. Но когда рыжих кукушек становится слишком много, камышовки перестраиваются на то, чтобы преследовать их, и тогда преимущество получают серые. Тем самым поддерживается полиморфизм в окраске оперенья кукушек


Светящаяся бактерия Photorhabdus живет попеременно то в круглых червях, где она выступает в роли полезного сожителя, то в насекомых, для которых она — смертельный патоген. Микробы превращаются из патогенной P-формы в мутуалистическую M-форму за счет небольшого обратимого генетического изменения — поворота (инверсии) промотора madswitch, радикально меняющего свойства бактериальных клеток.




Паразиты представляют собой серьезную угрозу общественным насекомым, образующим колонии с высокой плотностью популяции. Поэтому в процессе эволюции отбираются признаки, снижающие риск распространения инфекции. Муравьи-древоточцы, зараженные паразитическими грибами, радикально меняют свое поведение, в результате чего существенно уменьшается риск заражения других особей муравьиной семьи.

Многие паразиты манипулируют поведением своих хозяев, однако генетические основы таких манипуляций изучены слабо. Американские биологи выявили ген, при помощи которого вирус ядерного полиэдроза заставляет зараженных гусениц непарного шелкопряда взбираться на вершины деревьев, что способствует распространению вируса. Как выяснилось, вирус добивается этого, воздействуя на систему гормональной регуляции линек и пищевого поведения гусеницы.

Когда молекулярный анализ не может определить, какой из пары близкородственных видов древнее, на помощь приходят их паразиты. Чтобы узнать, какая из двух североамериканских пищух ближе к предковой форме, ученые исследовали филогенетические связи у пяти групп характерных для них паразитических червей. Американская пищуха, обитающая в южной Канаде и США, оказалась древнее воротничковой пищухи, живущей на Аляске, что не согласуется с традиционным мнением.


Французские биологи обнаружили, что скребень Pomphorhynchus laevis манипулирует своим промежуточным хозяином, рачком-бокоплавом Gammarus pulex, в точном соответствии с теоретическими ожиданиями. Пока паразит не готов перейти в окончательного хозяина (рыбу), он заставляет рачка прятаться. Достигнув зрелости, паразит «выгоняет» хозяина из укрытий и делает его легкой добычей для рыб.















Считалось, что межвидовой обмен генами, или горизонтальный перенос, широко распространенный в мире прокариот (бактерий и архей), не характерен для высших организмов, особенно многоклеточных животных и растений. Вопреки этим представлениям оказалось, что гены и даже целые геномы паразитических бактерий иногда могут вставляться в хромосомы животных-хозяев.









Массовое вымирание земноводных в тропических районах планеты вызвано паразитическим грибом, еще недавно почти безвредным. В убийцу он превратился из-за глобального потепления. А всесветное распространение паразиту обеспечили фармакологи — производители тестов на беременность.


Ученым, занимающимся поиском средства борьбы с возбудителем малярии, удалось идентифицировать фермент, играющий ключевую роль в заражении красных кровяных телец этим паразитом. Это поможет разработать принципиально новый класс противомалярийных препаратов.

Что бы там ни говорили ксенофобы, даже такие нежелательные гости человеческого организма, как паразиты, живущие в кишечнике, могут приносить своим невольным хозяевам существенную пользу. Например, защищать их от проявлений астмы и разнообразных аллергических состояний.

Расшифровка геномов трех смертоносных паразитов, ежегодно угрожающих жизни и здоровью полуммиллиарда человек по всему миру, показала, что все они имеют практически одинаковое генетическое ядро.

Созданное в Мельбурнском университете средство защиты поголовья свиней от ленточного червя может спасти до 50 000 человек в год, которые погибают в странах третьего мира от заражения этим паразитом.




